
2021-06-28
1异常现象的原因分析
1.1双桥变电站双桥变电站35kV真空断路器在合闸状态下,合闸指示红灯HD和分闸指示绿灯LD均亮,其故障原因分析如下:
35kV双桥变为常规变电站,机构设备为弹簧储能机构,合闸指示灯HD和分闸指示灯LD均亮,说明该结构的跳、合控制回路均在接通的状态,可能是辅助开关的动断触点和动合触点同时在接通的状态。
双桥变35kV真空断路器故障检测:首先将运行开关转为冷备用,打开开关机构,旋转辅助开关行程位置,观察红色指示灯HD和绿色指示灯LD状态,调整辅助开关偏转行程,保证动断触点DL和动合触点DL不在同时接通,因辅助开关使用较久,内部触点磨损严重。
1.2上桥变电站上桥变电站35kV真空断路器合闸时机构未动作,分闸指示灯LD亮,其故障原因分析如下:
分闸指示灯LD亮说明合闸回路中辅助开关动断触点DL、未储能闭锁动合触点DT和合闸线圈均在通路,合闸无反应可能有3种情况:其一是无操作正电源;
其二是真空断路器操作开关KK故障;其三是合闸回路中串联的防跳继电器TBJ触点不通。
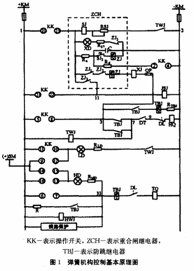
上桥变35kV真空断路器故障检测。弹簧机构控制基本原理如图1所示。

首先将运行开关转为冷备用,使用万用表检查控制回路中正电源+KM和负电源-KM间电压为DC220V,排除了电源故障。
其次将控制电源正负控制保险取下,用万用表电阻档,测量合闸控制回路中合闸线圈阻值,万用表显示阻值为89欧姆,说明线圈阻值为标称值,合闸线圈正常。再次用万用表电阻档测量机构分闸位置时辅助开关动断触点DL、未储能闭锁动合触点DT通断,电阻值均显示为0,表示辅助开关动断触点DL、未储能闭锁动合触点DT无缺陷。
最后采用万用表电阻档测量机构分闸位置时防跳继电器TBJ触点时开路,打开继电器发现其出口中间触点有灼烧痕迹。KK-表示操作开关,ZCH-表示重合闸继电器,TBJ-表示防跳继电器图1弹簧机构控制基本原理图2处理方法
2.1双桥变电站指示信号异常故障处理该断路器控制回路中,辅助开关动断触点和动合触点故障同时接通造成35kV真空断路器在合闸的状态下红色指示灯HD和绿色指示灯LD均亮。
首先打开二次控制回路端子箱,直观检查是否存在明显故障缺陷,检查机构内行程辅助是否行程到位,造成辅助开关动合触点不闭合或接触不良,辅助开关动断触点不断开。检查二次接线是否有明显断点,造成控制回路开路。通过排查发现辅助开关使用较久,内部触点磨损严重不能满足通断要求,更换同型号辅助开关后,故障缺陷消除,断路器分合正常,指示信号正常。
2.2上桥变电站指示信号异常故障处理通过回路设备故障排除法,利用现场的机械指示信号和保护信号进行逐一排除的方法进行故障处理。检测发现机构分闸位置时防跳继电器TBJ触点时开路,造成合闸控制回路故障。打开继电器发现继电器出口中间触点有灼烧痕迹,更换继电器触点后,断路器分、合闸试验正常,指示信号显示正确,异常现象排除。
3.通过对35kV真空断路器指示信号异常现象的详细分析,并结合故变电站断路器故障实例处理,依靠断路器的信号指示情况,迅速判断35kV真空断路器故障和故障点,在实际工作中更好地开展真空断路器的日常维护工作。提高了事故处理的效率,减少了设备停电检修的时间,提高了经济效益。
COPYRIGHT © 2019 三工位真空断路器,35kv真空断路器,真空负荷开关,浙江途远电气有限公司 ALL RIGHTS RESERVED 浙ICP备20009516号